Su compatibilidad con diferentes series de herramientas permite un uso versátil en diferentes aplicaciones mecánicas.
El sistema de apertura rápida con una sola tuerca minimiza el tiempo de ajuste y facilita un manejo más eficiente y sencillo.
El uso de este extractor asegura que la extracción de poleas sea realizada de manera segura, sin riesgo de dañar las piezas mecánicas.
La facilidad de montaje y uso del extractor optimiza el tiempo de trabajo, mejorando la productividad.
El Extractor Serie 1100 de 2 alargaderas es una herramienta de alta precisión diseñada para facilitar la extracción segura de poleas en diferentes maquinarias sin causar daños.
Este extractor está pensado para ser utilizado en conjunto con las guillotinas de la serie 1200, lo que garantiza un proceso de extracción eficiente y controlado.
Además, el diseño permite que las patas de la serie 1000 se puedan montar fácilmente, según las necesidades especificadas en la tabla adjunta, proporcionando una gran versatilidad.
El extractor también puede funcionar como puente de apoyo para extractores interiores de la serie 1500 y para las pinzas de la serie 4000, ampliando aún más su rango de uso.
Su sistema de apertura y cierre rápido, que solo requiere el ajuste de una tuerca, permite agilizar el proceso de extracción y reducir el tiempo de manipulación.
Recomendaciones de uso:
Asegúrese de consultar la tabla adjunta para utilizar las patas correctas de la serie 1000.
Verifique la compatibilidad del extractor con las poleas antes de iniciar el proceso.
No aplique fuerza excesiva al ajustar la tuerca; el mecanismo de cierre rápido evita la necesidad de ajustes bruscos.
Utilice siempre equipo de protección adecuado durante la manipulación de la herramienta.
Mantenga el extractor alineado con la polea para evitar tensiones desiguales durante la extracción.
Recomendaciones de mantenimiento:
Lubrique las piezas móviles del extractor regularmente para garantizar un funcionamiento suave y sin fricciones.
Inspeccione las alargaderas y las patas antes y después de cada uso para detectar posibles desgastes o daños.
Almacene el extractor en un lugar seco y protegido de la humedad para evitar la corrosión de los componentes.
Listado de referencias
Referencia
Descripción
A (Altura útil de pata)
B (Apertura máxima)
B (Apertura mínima)
Ean
1102
EXTRACTOR FORZA 2 ALARGADERAS 120X110
120
110
46
8424427317008
1103
EXTRACTOR FORZA 2 ALARGADERAS 120X140
120
140
46
8424427505900
1110
EXTRACTOR FORZA 2 ALARGADERAS 190X195
190
195
62
8424427317206
1120
EXTRACTOR FORZA 2 ALARGADERAS 255X325
255
325
105
8424427317305
1128
EXTRACTOR FORZA 2 ALARGADERAS 255X445
255
445
173
8424427013658
1135
EXTRACTOR FORZA 2 ALARGADERAS 480X450
480
450
178
8424427317404
1150
EXTRACTOR FORZA 2 ALARGADERAS 680X580
680
580
219
8424427317503
Información adicional referencia: (selecciona una referencia para ampliar información)
Clasificaciones
Clasificación AECOC: SECTOR FERRETERÍA Y BRICOLAJE HERRAMIENTAS HERRAMIENTA MANUAL OTROS (HERRAMIENTA MANUAL) (080405OT)
Clasificación UNSPSC: Herramientas y Maquinaria General Herramientas de mano Llaves inglesas y guías Extractores (27111712)
Referencia: 1102 Código EAN: 8424427317008 Marca: FORZA
Acabados
Material: Patas de acero aleado Acabado: Niquelado, husillo pavonado
Dimensiones
Peso del artículo (kg): 1,1000
Características
A (Altura útil de pata): 120 B (Apertura máxima): 110 B (Apertura mínima): 46 C (Anchura del cuerpo): 122 Patas compatibles: 100250-100260 Tipo de cuerpo: Roscados
Certificaciones
Garantía: Ilimitada por defecto de fabricación Certificación: ISO 9001 & ISO 14001
Datos packaging
Cantidad de contenido: 1 Unidad de contenido: Pieza Peso (kg): 1,1000 Largo (cm): 19,30 Ancho (cm): 8,50 Alto (cm): 3,60 Presentación: Caja de cartón forza
Datos logísticos
Unidad de entrega - cantidad: 1
Estado artículo
Estado: activo Fecha: 16/03/2022
EXTRACTOR FORZA 2 ALARGADERAS 120X140
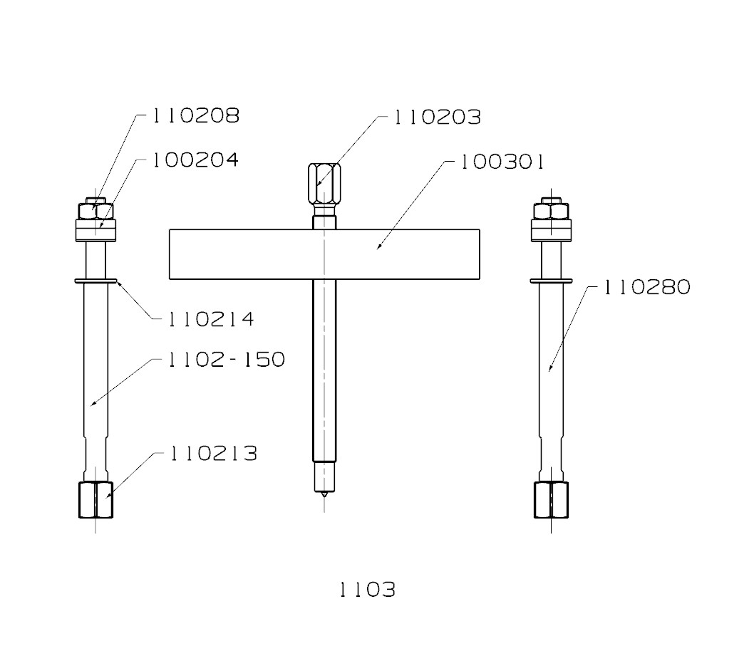
Referencia: 1103 Código EAN: 8424427505900 Marca: FORZA
Acabados
Material: Patas de acero aleado Acabado: Niquelado, husillo pavonado
Dimensiones
Peso del artículo (kg): 1,3000
Características
A (Altura útil de pata): 120 B (Apertura máxima): 140 B (Apertura mínima): 46 C (Anchura del cuerpo): 156 Patas compatibles: 100250-100260 Tipo de cuerpo: Roscados
Certificaciones
Garantía: Ilimitada por defecto de fabricación Certificación: ISO 9001 & ISO 14001
Datos packaging
Cantidad de contenido: 1 Unidad de contenido: Pieza Peso (kg): 1,3000 Largo (cm): 19,30 Ancho (cm): 8,50 Alto (cm): 3,60 Presentación: Caja de cartón forza
Datos logísticos
Unidad de entrega - cantidad: 1
Estado artículo
Estado: activo Fecha: 16/03/2022
EXTRACTOR FORZA 2 ALARGADERAS 190X195
Referencia: 1110 Código EAN: 8424427317206 Marca: FORZA
Acabados
Material: Patas de acero aleado Acabado: Niquelado, husillo pavonado
Dimensiones
Peso del artículo (kg): 3,2000
Características
A (Altura útil de pata): 190 B (Apertura máxima): 195 B (Apertura mínima): 62 C (Anchura del cuerpo): 210 Patas compatibles: 101050-101060 Tipo de cuerpo: Sin roscar
Certificaciones
Garantía: Ilimitada por defecto de fabricación Certificación: ISO 9001 & ISO 14001
Datos packaging
Cantidad de contenido: 1 Unidad de contenido: Pieza Peso (kg): 3,2000 Largo (cm): 32,00 Ancho (cm): 13,50 Alto (cm): 3,50 Presentación: Caja de cartón forza
Datos logísticos
Unidad de entrega - cantidad: 1
Estado artículo
Estado: activo Fecha: 16/03/2022
EXTRACTOR FORZA 2 ALARGADERAS 255X325
Referencia: 1120 Código EAN: 8424427317305 Marca: FORZA
Acabados
Material: Patas de acero aleado Acabado: Niquelado, husillo pavonado
Dimensiones
Peso del artículo (kg): 9,5000
Características
A (Altura útil de pata): 255 B (Apertura máxima): 325 B (Apertura mínima): 105 C (Anchura del cuerpo): 340 Patas compatibles: 102050-102060 Tipo de cuerpo: Sin roscar
Certificaciones
Garantía: Ilimitada por defecto de fabricación Certificación: ISO 9001 & ISO 14001
Datos packaging
Cantidad de contenido: 1 Unidad de contenido: Pieza Peso (kg): 9,5000 Largo (cm): 38,00 Ancho (cm): 18,00 Alto (cm): 8,00 Presentación: Caja de cartón forza
Datos logísticos
Unidad de entrega - cantidad: 1
Estado artículo
Estado: activo Fecha: 16/03/2022
EXTRACTOR FORZA 2 ALARGADERAS 255X445
Referencia: 1128 Código EAN: 8424427013658 Marca: FORZA
Acabados
Material: Patas de acero aleado Acabado: Niquelado, husillo pavonado
Dimensiones
Peso del artículo (kg): 12,0000
Características
A (Altura útil de pata): 255 B (Apertura máxima): 445 B (Apertura mínima): 173 C (Anchura del cuerpo): 475 Patas compatibles: 102050-102060 Tipo de cuerpo: Sin roscar
Certificaciones
Garantía: Ilimitada por defecto de fabricación Certificación: ISO 9001 & ISO 14001
Datos packaging
Cantidad de contenido: 1 Unidad de contenido: Pieza Peso (kg): 12,0000 Largo (cm): 30,00 Ancho (cm): 9,00 Alto (cm): 56,00 Presentación: Caja de cartón
Datos logísticos
Unidad de entrega - cantidad: 1
Estado artículo
Estado: activo Fecha: 16/03/2022
EXTRACTOR FORZA 2 ALARGADERAS 480X450
Referencia: 1135 Código EAN: 8424427317404 Marca: FORZA
Acabados
Material: Patas de acero aleado Acabado: Niquelado, husillo pavonado
Dimensiones
Peso del artículo (kg): 35,0000
Características
A (Altura útil de pata): 480 B (Apertura máxima): 450 B (Apertura mínima): 178 C (Anchura del cuerpo): 480 Tipo de cuerpo: Sin roscar
Certificaciones
Garantía: Ilimitada por defecto de fabricación Certificación: ISO 9001 & ISO 14001
Datos packaging
Cantidad de contenido: 1 Unidad de contenido: Pieza Peso (kg): 35,0000 Largo (cm): 70,00 Ancho (cm): 26,00 Alto (cm): 10,00 Presentación: Caja de madera
Datos logísticos
Unidad de entrega - cantidad: 1
Estado artículo
Estado: activo Fecha: 16/03/2022
EXTRACTOR FORZA 2 ALARGADERAS 680X580
Referencia: 1150 Código EAN: 8424427317503 Marca: FORZA
Acabados
Material: Patas de acero aleado Acabado: Niquelado, husillo pavonado
Dimensiones
Peso del artículo (kg): 63,3000
Características
A (Altura útil de pata): 680 B (Apertura máxima): 580 B (Apertura mínima): 219 C (Anchura del cuerpo): 617 Tipo de cuerpo: Sin roscar
Certificaciones
Garantía: Ilimitada por defecto de fabricación Certificación: ISO 9001 & ISO 14001
Datos packaging
Cantidad de contenido: 1 Unidad de contenido: Pieza Peso (kg): 63,3000 Largo (cm): 87,00 Ancho (cm): 31,00 Alto (cm): 18,00 Presentación: Caja de madera
Datos logísticos
Unidad de entrega - cantidad: 1
Estado artículo
Estado: activo Fecha: 16/03/2022
¿Desea más información de EXTRACTOR FORZA SERIE 1100 DE 2 ALARGADERAS?