SERIE HLSB-HG, Fijo/Platina/Sin FrenoRuedas con núcleo de acero y banda de goma negra natura. Especialmente indicada para soportar altas cargas de hasta 750 Kg. Con soporte de suspensión elástica mediante incorporación de muelle muy resistente para absorber golpes, choques y desniveles. Recorrido de suspensión hasta 25mm., ideal en suelos irregulares donde su amortiguación actúa.
Se aplica en útiles de transporte logístico, área de exteriores, logística interna, gradas móviles, plataformas elevadoras, carros de transporte, logística material misiones, maquinaria pesada del sector de la construcción, grúas móviles. Principalmente en el sector aeronáutico, ferroviario y automoción.
HG: Rueda apropiada para tracción mecánica. Máxima protección de los suelos. Rodadura suave y silenciosa. Absorve los golpes y vibraciones.
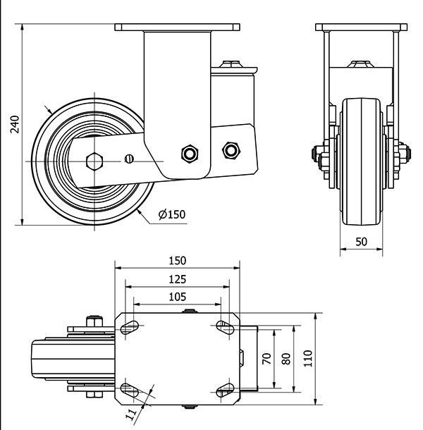
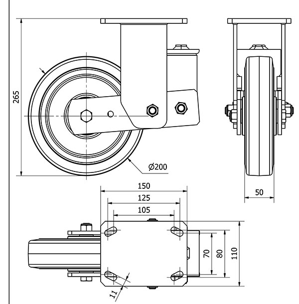
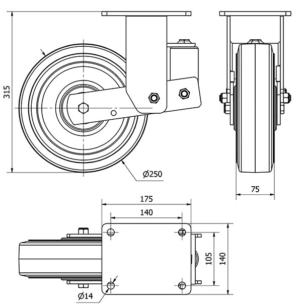
Fabricada con acero soldado hasta 8 m/m de espesor. Acabado pintado negro. Soporte con suspensión elástica mediante incorporación de muelle muy resistente. Recorrido del muelle hasta 25 mm para una carga de 200 kg. Especialmente diseñada para absorber por amortiguación: golpes, Choques y desniveles. Fabricadas según normas europeas EN 12532/12533.
| Referencia | Descripción | Diámetro (mm) | Cojinete | Ean | |
|---|---|---|---|---|---|
| 2-3932 | R.FIJA 17HLSB150-HGB SUSPENSION HIERRO-GOMA NEGRA NATURAL EJE BOLAS | 150 | Bolas | 8422202239323 | |
| 2-3933 | R.FIJA 17HLSB200-HGB SUSPENSION HIERRO-GOMA NEGRA NATURAL EJE BOLAS | 200 | Bolas | 8422202239330 | |
| 2-3937 | R.FIJA (ANCHA) 17HLSBA250-HGB SUSPENSION GOMA NEGRA NATURAL BOLAS | 250 | Bolas | 8422202239378 |
Clasificación AECOC:
SECTOR FERRETERÍA Y BRICOLAJE FERRETERÍA RUEDAS RUEDAS CON SOPORTE FIJO (08080802)