SERIE SLR-AUSB, Giratorio/Platina/Freno Rueda y SoporteRuedas con núcleo de aluminio y banda de poliuretano blanco fundido con dureza de 88˚ shore A, especialmente indicada para soportar altas cargas hasta 650 Kg.
Se aplica en útiles de transporte logístico, áreas de exteriores, carroceros, AGV, logística interna, gradas móviles, plataformas elevadoras, logística material misiones, maquinaria pesada, grúas móviles, mesas elevadoras, carros. Utillajes, aéreas industriales. Aplicadas en proyectos de ingeniería mecánica por delineantes y proyectistas.
AUSB: Recomendada para desplazamientos en velocidad (hasta 16 KM/H). Alta absorción a los golpes. Condiciones de pavimento desfavorables. Superficies rugosas, quebradas, con virutas metálicas, manchas de aceite, cristales, grasas, grava.
Fabricada con acero soldado desde 6 m/m hasta 8 m/m de espesor.
Doble cabezal giratorio, el superior de bolas grandes de acero y el inferior de precisión que facilita los esfuerzos de giro, radiales y axiales.
Modelo construido especialemente para: carretillas grandes con empuje mecánico, manutención de factorías, industrias metalúrgicas.
Acabado cincado blanco.
Fabricadas según normas europeas EN 12532.
| Referencia | Descripción | Diámetro (mm) | Cojinete | Ean | |
|---|---|---|---|---|---|
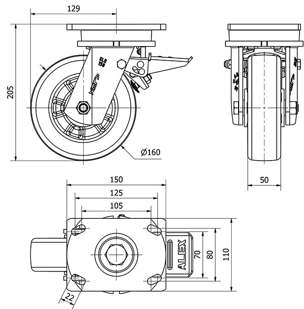
| 2-4186 | R.GIR.PLACA FRENO 10SLRFD160-AUSB ALUM.-POLIUR.BLANCO"VELOC"BOLAS | 160 | Bolas | 8422202241869 | |
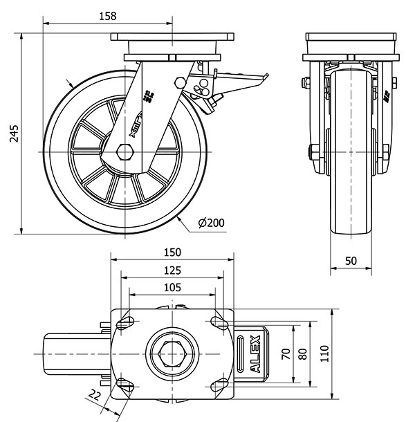
| 2-4193 | R.GIR.PLACA FRENO 10SLRFD200-AUSB ALUM.-POLIUR.BLANCO"VELOC"BOLAS | 200 | Bolas | 8422202241937 |
Clasificación AECOC:
SECTOR FERRETERÍA Y BRICOLAJE FERRETERÍA RUEDAS RUEDAS CON SOPORTE GIRATORIO (08080803)